
應用領域:
工業清洗、供水和增壓、空調系統、冷卻系統、水處理
材質:
不銹鋼
產品說明:
南方CHL,CHLK,CHLF(T)非自吸輕型臥式多級離心泵,葉輪導葉采用不銹鋼板沖壓焊接制成,配加長軸電機,軸向入口和徑向出口。
性能及優點:
結構緊湊、低噪音、適用于輕度腐蝕性液體、安裝空間小
技術參數:
流量:0.5m3/h~32m3/h
揚程:5m~88m
功率:0.37kW~7.5kW
液體溫度:-15℃~+110℃
頻率:50Hz/60Hz
南方水泵CHL2系列型號參數如下:
流量:2 m3/h 效率:41%
轉速:2900 rpm 葉輪外徑:90mm
進口口徑:G1 出口口徑:G1
介質溫度:常溫型-15℃~+70℃
熱水型-15℃~+120℃
型號 | 揚程 | 功率 | 級數 | 電機功率 | 重量 |
(m) | (kw) | (kW) | (kg) | ||
CHL2-20 | 15 | 0.2 | 2 | 0.37 | 13 |
CHL2-30 | 22 | 0.29 | 3 | 0.37 | 13 |
CHL2-40 | 29 | 0.39 | 4 | 0.55 | 13 |
CHL2-50 | 36 | 0.48 | 5 | 0.55 | 13 |
CHL2-60 | 44 | 0.58 | 6 | 0.75 | 15 |
南方水泵CHL4系列型號參數如下:
流量:4 m3/h 效率:49%
轉速:2900 rpm 葉輪外徑:90mm
進口口徑:G1 1/4 出口口徑:G1
介質溫度:常溫型-15℃~+70℃
熱水型-15℃~+120℃
型號 | 揚程 | 功率 | 級數 | 電機功率 | 重量 |
(m) | (kw) | (kW) | (kg) | ||
CHL4-20 | 15 | 0.33 | 2 | 0.37 | 12 |
CHL4-30 | 23.5 | 0.52 | 3 | 0.55 | 12 |
CHL4-40 | 31 | 0.69 | 4 | 0.75 | 15 |
南方水泵CHL8系列型號參數如下:
流量:8 m3/h 效率:57%
轉速:2900 rpm 葉輪外徑:96.5mm
進口口徑:G2 出口口徑:G2
介質溫度:常溫型-15℃~+70℃
熱水型-15℃~+120℃
型號 | 揚程 | 功率 | 級數 | 電機功率 | 重量 |
(m) | (kw) | (kW) | (kg) | ||
CHL8-10 | 9 | 0.34 | 1 | 0.75 | 20 |
CHL8-20 | 18 | 0.69 | 2 | 0.75 | 20 |
CHL8-30 | 27 | 1.03 | 3 | 1.1 | 25 |
CHL8-40 | 35 | 1.34 | 4 | 1.5 | 25 |
CHL8-50 | 45 | 1.72 | 5 | 2.2 | 30 |
南方水泵CHL12系列型號參數如下:
流量:12m3/h 效率:60%
轉速:2900 rpm 葉輪外徑:105mm
進口口徑:G2 出口口徑:G2
介質溫度:常溫型-15℃~+70℃
熱水型-15℃~+120℃
型號 | 揚程 | 功率 | 級數 | 電機功率 | 重量 |
(m) | (kw) | (kW) | (kg) | ||
CHL12-10 | 9.5 | 0.52 | 1 | 0.75 | 20 |
CHL12-20 | 19.5 | 1.06 | 2 | 1.2 | 21 |
CHL12-30 | 29.5 | 1.61 | 3 | 1.8 | 25 |
CHL12-40 | 39.5 | 2.15 | 4 | 2.4 | 29 |
CHL12-50 | 50 | 2.73 | 5 | 3 | 34 |
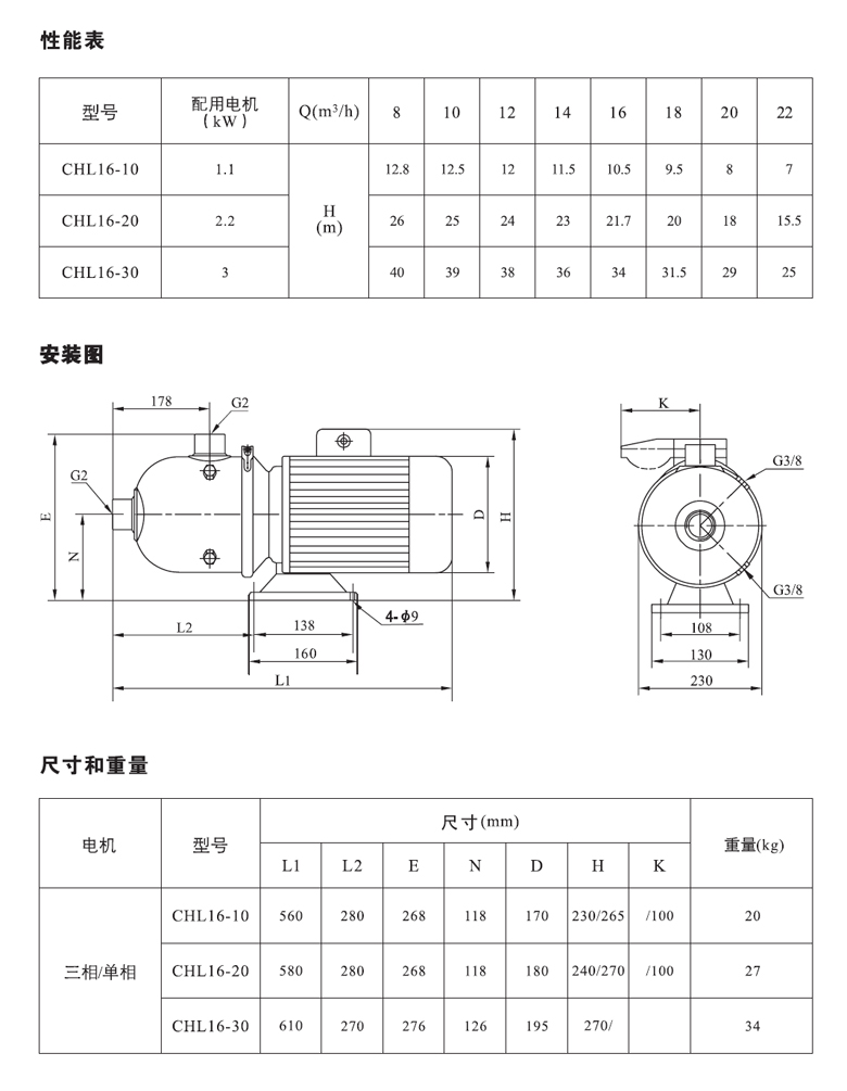
南方水泵CHL16系列型號參數如下:
流量:16m3/h 效率:62%
轉速:2900 rpm 葉輪外徑:111-113mm
進口口徑:G2 出口口徑:G2
介質溫度:常溫型-15℃~+70℃
熱水型-15℃~+120℃
型號 | 揚程 | 功率 | 葉輪外徑 | 級數 | 電機功率 | 重量 |
(m) | (kw) | (mm) | (kW) | (kg) | ||
CHL16-10 | 10.5 | 0.74 | 111 | 1 | 1.1 | 20 |
CHL16-20 | 21.7 | 1.53 | 112 | 2 | 2.2 | 27 |
CHL16-30 | 34 | 2.39 | 113 | 3 | 3 | 34 |
南方水泵CHL20系列型號參數如下:
流量:20m3/h 效率:64%
轉速:2900 rpm 葉輪外徑:106mm
進口口徑:G2 出口口徑:G2
介質溫度:常溫型-15℃~+70℃
熱水型-15℃~+120℃
型號 | 揚程 | 功率 | 級數 | 電機功率 | 重量 |
(m) | (kw) | (kW) | (kg) | ||
CHL20-10 | 10 | 0.85 | 1 | 1.1 | 21 |
CHL20-20 | 22 | 1.87 | 2 | 2.2 | 28 |
CHL20-30 | 34 | 2.9 | 3 | 4 | 42 |